Меню
Корзина 00грн.
    Поддержка
    • +380 98 033 4000
    • +380 66 930 1000
    • +380 73 930 1000

    Пн-Пт 10-19, Сб-Вс 10-15

    Motorstate
    • +380 98 033 4000
    • +380 66 930 1000
    • +380 73 930 1000
    Корзина 00грн.
    Каталог
      Поиск
      • Программы диагностики и ремонта
      • Диагностическое оборудование авто
      • Для прошивки ЭБУ
      • Курсы чип тюнинга, автодиагностики
      Комплекты диагностики Оборудование диагностики Для одометра, ИММО, Airbag
      • +380 98 033 4000
      • +380 66 930 1000
      • +380 73 930 1000
      Заказать обратный звонок
      • UA
      • RU
      Motorstate
      • Программы диагностики и ремонта
      • Диагностическое оборудование авто
      • Для прошивки ЭБУ
      • Курсы чип тюнинга, автодиагностики
      Комплекты диагностики Оборудование диагностики Для одометра, ИММО, Airbag
      Корзина 00грн.
      Корзина
      Ваша корзина пуста!
      Каталог Поиск Корзина Корзина 00грн. Сравнение Войти
      Авторизация
      Забыли пароль?
      Регистрация

      Руководства по ремонту и обслуживанию Freightliner. Комплект технической документации для грузовиков Freightliner

      • Главная
      • Программы диагностики и ремонта
        • Диагностическое оборудование авто
        • Программы диагностики и ремонта
        • Курсы чип тюнинга, автодиагностики
        • Для прошивки ЭБУ
      • Руководства по ремонту и обслуживанию Freightliner. Комплект технической документации для грузовиков Freightliner
      Руководства по ремонту и обслуживанию Freightliner. Комплект технической документации для грузовиков Freightliner
      Руководства по ремонту и обслуживанию Freightliner. Комплект технической документации для грузовиков Freightliner 0
      7 478 грн.
      Руководства по ремонту и обслуживанию Freightliner. Комплект технической документации для грузовиков Freightliner
      Руководства по ремонту и обслуживанию Freightliner. Комплект технической документации для грузовиков Freightliner
      Руководства по ремонту и обслуживанию Freightliner. Комплект технической документации для грузовиков Freightliner
      Руководства по ремонту и обслуживанию Freightliner. Комплект технической документации для грузовиков Freightliner
      Руководства по ремонту и обслуживанию Freightliner. Комплект технической документации для грузовиков Freightliner
      Руководства по ремонту и обслуживанию Freightliner. Комплект технической документации для грузовиков Freightliner
      Руководства по ремонту и обслуживанию Freightliner. Комплект технической документации для грузовиков Freightliner
      Руководства по ремонту и обслуживанию Freightliner. Комплект технической документации для грузовиков Freightliner
      Руководства по ремонту и обслуживанию Freightliner. Комплект технической документации для грузовиков Freightliner
      На складе

      7 478 грн.

      Купить в кредит
      Нашли дешевле?
      Характеристики
      ВидНабор файлов Марка автоFreightliner НазначениеРуководства по ремонту, электросхемы
      Объем программы5 Гб Тип транспортаГрузовики ЯзыкАнглийский
      Все характеристики
      Кредит
        Оплата частями от Приватбанка
        • От 1 068грн. / месяц
        • 2 - 7 платежей
        1 068грн. / месяц
        Мгновенная рассрочка от Приватбанка
        • От 299грн. / месяц
        • 2 - 25 платежей
        299грн. / месяц
        Покупка частями от Монобанка
        • От 1 068грн. / месяц
        • 3 - 7 платежей
        1 068грн. / месяц
      Нашли дешевле?
      Введите адрес доставки
      Описание

      Комплект технической документации для грузовиков Freightliner представляет собой обширный набор материалов, включающий в себя руководства по ремонту, обслуживанию и электросхемы для различных моделей грузовиков Freightliner.

      Содержание комплекта:

      1. Руководства по ремонту (Workshop Manuals)

      Эти руководства предоставляют подробные инструкции по ремонту и обслуживанию различных систем грузовиков, включая двигатель, трансмиссию, тормозную систему и другие компоненты.

      2. Руководства по техническому обслуживанию (Maintenance Manuals)

      Содержат информацию о регулярных процедурах обслуживания, таких как замена масел, фильтров, проверка систем и другие профилактические меры.

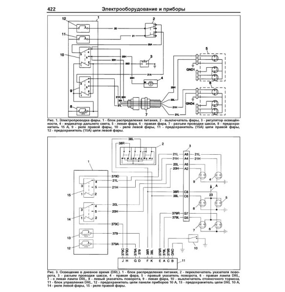
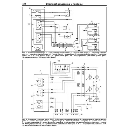
      3. Электросхемы (Wiring Diagrams)

      Предоставляют детальные схемы электрических систем грузовиков, включая схемы подключения, расположение проводов и компонентов, что облегчает диагностику и ремонт электрических неисправностей.

      Примеры поддерживаемых моделей:

      • Freightliner Cascadia

      • Freightliner Columbia

      • Freightliner Century Class

      • Freightliner Business Class M2

      • Freightliner FLD Series

      • Freightliner Sprinter

      Преимущества использования:

      • Подробность: Каждое руководство содержит пошаговые инструкции и схемы, что облегчает процесс ремонта и обслуживания.

      • Универсальность: Поддержка широкого спектра моделей и годов выпуска грузовиков Freightliner.

      • Доступность: Материалы представлены в формате PDF, что позволяет легко использовать их на различных устройствах.

      Для специалистов по ремонту и обслуживанию грузовиков Freightliner данный комплект является незаменимым инструментом, обеспечивающим эффективную и качественную работу с техникой.

      Полный список файлов в наборе.

      Как производится заказ

      1. Сначала нужно оплатить заказ.
      2. Отправляем ссылку на мануалы на ваш email.

      Вы также можете приобрести диагностическое оборудование в нашем магазине.

      Технические характеристики Руководства по ремонту и обслуживанию Freightliner. Комплект технической документации для грузовиков Freightliner
      Характеристики
      Вид Набор файлов
      Марка авто Freightliner
      Назначение Руководства по ремонту, электросхемы
      Объем программы 5 Гб
      Тип транспорта Грузовики
      Язык Английский

      Рекомендуемые товары

      Установка программы Freightliner Service Link 2017
      Установка программы Freightliner Service Link 2017
      Установка программы Freightliner Service Link 2017
      Установка программы Freightliner Service Link 2017
      На складе Код товара: Установка программы Freightliner Service Link 2017
      2 899 грн.
      Отзывы 0
      • Нет отзывов об этом товаре.
      Пожалуйста авторизируйтесь или создайте учетную запись перед тем как написать отзыв
      Вопросы и ответы 0
      • Еще не было вопросов
      Задать вопрос

      Вы смотрели

      • Установка программы Ford Etis 2019 (VMware)
        Установка программы Ford Etis 2019 (VMware)
        Установка программы Ford Etis 2019 (VMware)
        Установка программы Ford Etis 2019 (VMware)
        На складе Установка программы Ford Etis 2019 (VMware)
        2 434 грн.
      • SGW доступ на 12 месяцев через Thinkcar: Адаптация, кодирование блоков, удаление ошибок на Alfa Romeo, Chrysler, Dodge, Fiat, Jeep, Maserati
        SGW доступ на 12 месяцев через Thinkcar: Адаптация, кодирование блоков, удаление ошибок на Alfa Romeo, Chrysler, Dodge, Fiat, Jeep, Maserati
        SGW доступ на 12 месяцев через Thinkcar: Адаптация, кодирование блоков, удаление ошибок на Alfa Romeo, Chrysler, Dodge, Fiat, Jeep, Maserati
        На складе SGW доступ на 12 месяцев через Thinkcar: Адаптация, кодирование блоков, удаление ошибок на Alfa Romeo, Chrysler, Dodge, Fiat, Jeep, Maserati
        6 151 грн.
      • Лицензия VXDIAG VCX SE для Volvo На складе Лицензия VXDIAG VCX SE для Volvo
        2 310 грн.
      • Thinkcar ThinkTool 191 — OBD2-сканер с CAN-FD и DoIP
        Thinkcar ThinkTool 191 — OBD2-сканер с CAN-FD и DoIP
        Thinkcar ThinkTool 191 — OBD2-сканер с CAN-FD и DoIP
        Thinkcar ThinkTool 191 — OBD2-сканер с CAN-FD и DoIP
        На складе Thinkcar ThinkTool 191 — OBD2-сканер с CAN-FD и DoIP
        26 462 грн.
      • Установка каталога автозапчастей АвтоКаталог 2011
        Установка каталога автозапчастей АвтоКаталог 2011
        Установка каталога автозапчастей АвтоКаталог 2011
        Установка каталога автозапчастей АвтоКаталог 2011
        На складе Установка каталога автозапчастей АвтоКаталог 2011
        1 106 грн.
      • Установка программы Chrysler Pais International, USA EPC 12.2019 (VMware)
        Установка программы Chrysler Pais International, USA EPC 12.2019 (VMware)
        Установка программы Chrysler Pais International, USA EPC 12.2019 (VMware)
        Установка программы Chrysler Pais International, USA EPC 12.2019 (VMware)
        На складе Установка программы Chrysler Pais International, USA EPC 12.2019 (VMware)
        8 877 грн.
      • 5.0
        Видеокурс Стартер-генератор. Диагностика и ремонт
        Видеокурс Стартер-генератор. Диагностика и ремонт
        Видеокурс Стартер-генератор. Диагностика и ремонт
        Видеокурс Стартер-генератор. Диагностика и ремонт
        На складе Видеокурс Стартер-генератор. Диагностика и ремонт
        1 561 грн.
      • Установка каталога запчастей MAN ELTIS EPC 2013 На складе Установка каталога запчастей MAN ELTIS EPC 2013
        3 761 грн.

      Теги: Freightliner manual

      7 478 грн.
      Выберите обязательные опции

      Интернет-магазин "MotorState"

      2026

      Полезно
      • Блог
      • Отзывы
      • Акции
      • О компании
      Правила работы
      • Возврат
      • Оплата
      • Доставка, гарантия
      • Контакты
      Поддержка
      • +380 98 033 4000
      • +380 66 930 1000
      • +380 73 930 1000

      Пн-Пт 10-19, Сб-Вс 10-15

      Мы в сети
      • Facebook
      • Instagram
      • TikTok
      • WhatsApp
      • Viber
      • Telegram

      Интернет-магазин "MotorState", 2026

      • Оплата картой
      • Apple Pay
      • Google Pay
      • Криптовалюта
      • Покупка частями
      • Приватбанк Оплата частями